1kW Mini Wind Turbine (48V)

Home Our Product 1kW Mini Wind Turbine (48V)
PMG Disc Coreless Generator

Disc Coreless Permanent Magnet Generator (PMG220-1000W)

Our disc coreless PMG is designed for low rated speed, small volume, and high efficiency applications. With coreless, slotless construction and brushless operation, it ensures maintenance-free, reliable performance for vertical axis wind turbines, gasoline generators, and hydroelectric generators.

2. Characteristics

  • Low rated speed and low starting wind speed — suitable for small wind or hydro applications.
  • Compact and lightweight design — small volume, high efficiency, and low energy consumption.
  • Coreless, anhysteresis, and slotless construction — provides very low starting torque.
  • No iron loss — ensures high efficiency and low heat generation.
  • Coreless precision winding technology — precise coil design for maximum performance.
  • Rare earth multipole permanent magnets — high power density and high output power.
  • Low-speed direct drive — smooth operation without torque fluctuations.
  • Simple and compact structure — high ratio of power to volume, easy to install.
  • Brushless design — maintenance-free operation.

3. Range of Application

  • Vertical axis wind turbines
  • Gasoline generators
  • Hydroelectric generators

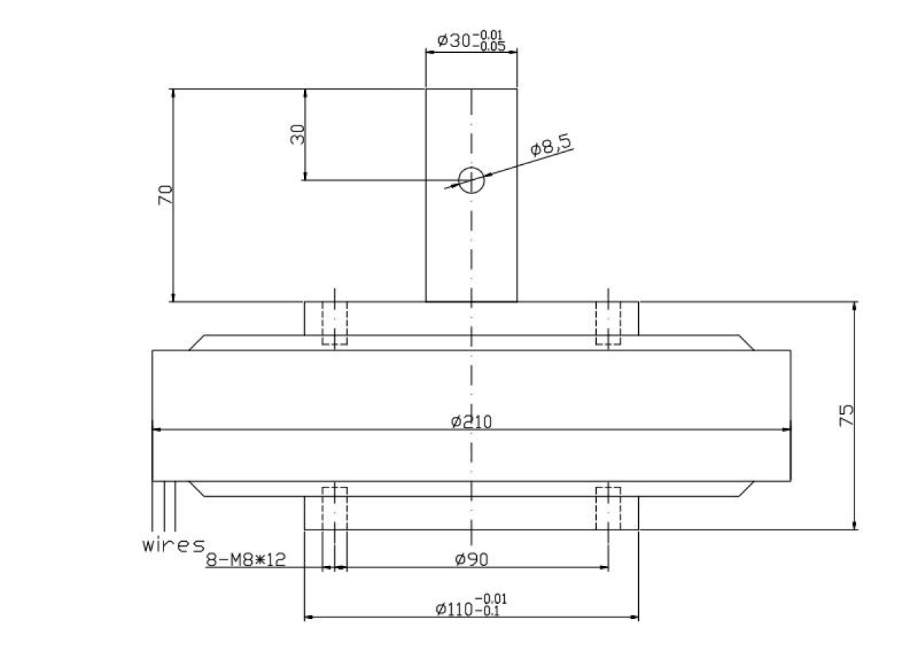
4. Shape Drawing

PMG Power Curve

Technical Specifications

ModelPMG220-1000W
Rated Power1000 W
Rated Speed1000 RPM
Rated Voltage48V
Rated Current20 A
Rated Torque9.5 NM
Efficiency>95%
Resistance (Line-Line)-
Winding TypeY
Insulation Resistance100 MΩ min (500V DC)
Leakage Level<5 mA
Start Torque<0.1 NM
PhaseThree phase
StructureInner Rotor
StatorCoreless
RotorPermanent magnet type (Outer Rotor)
Generator Diameter210 mm
Generator Length114 mm
Weight7.5 kg
Shaft Diameter30 mm
Housing MaterialAluminum Alloy
Shaft MaterialSteel

Power Curve

PMG Power Curve